告訴我們KYN28開關柜常用手工藝品
告訴我們KYN28開關柜常用手工藝品詳細資料由專業的低壓開關柜、低壓配電柜、低壓配電箱報價廠家為您提供。
目前,隨著我國10kV配電站真空滅弧室和真空斷路器的發展,10kV系列真空斷路器越來越多地應用于配電自動化站。隨著10kV系列手車式真空斷路器在3.6~12kV三相交流50Hz單母線分段系統中的廣泛應用,操作簡單、維護方便的KYN柜式中壓設備也得到廣泛應用。
KYN系列中壓開關柜基本框架介紹

保護手車知識簡介

功能:正常供電時,通過負載電流,當供電系統發生短路故障或嚴重過載時,配合相應的繼電保護或自動裝置,迅速切斷故障電流或過載。

組成:它由底盤、桿、接觸臂、動觸頭、機架和內部機構組成。

固定和密封桿:真空泡和聯動機構與絕緣筒結合在一起,除塵效果更好。
桶桿:真空泡和聯動機構安裝在絕緣桶內。打開上盒蓋,可以清楚地看到真空泡等。

3~10kV高壓手車斷路器——柜式配電示意圖


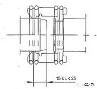
手車配柜時,動、靜觸頭的觸頭嚙合尺寸必須滿足上述要求。

3~10kV高壓手車接觸器

功能:配有專用高壓熔斷器,可開關負載電流,過載時自動跳閘,切斷過載電流。用于頻繁操作的場合。
高壓手車接觸器的優點
極低操作過壓
較少維護
電氣和機械壽命長
可與微機控制系統配合,適合安裝在移動式變壓器中
車站和開關站
遙控

組成:它由底盤、保險絲、接觸臂、動觸頭、機架和內部機構組成。

功能:當電路過載或短路時,當電流超過規定值一段時間時,通過熔化熔體自身產生的熱量來斷開電路的開關裝置。一般選擇:WFNHO型號較大電流250A


對于手車式真空接觸器,相間距P = 150,極間距H = 205,梅花觸頭G = 35的尺寸通常在650寬的柜中匹配。



功能:保險絲在正常供電時通過負載電流。當負載電路過載或短路時,在電流超過規定值一段時間后,保險絲自身產生的熱量熔化熔體并迅速切斷電路。保險絲安裝在手推車上,以便更換和維護保險絲。

組成:由底盤車、高壓熔斷器、接觸臂、動觸頭、絕緣罩、絕緣子、機架和內部機構組成。

保險絲安裝在帶有蓋板的上下絕緣蓋中,可以方便地更換保險絲芯。



2


隔離手車知識簡介









第四章介紹了測量功能手車的知識












































更多選型規格報價定制等問題可及時聯系廠家,以上就是告訴我們KYN28開關柜常用手工藝品全部內容。
- 上一篇:水分對高壓的影響開關柜
- 下一篇:超級詳細!開關柜局部放電實時檢測技術探討
