最直截了當的配電箱接線圖解釋,零基礎還是學
最直截了當的配電箱接線圖解釋,零基礎還是學詳細資料由專業的低壓開關柜、低壓配電柜、低壓配電箱報價廠家為您提供。
配電箱和配電柜、配電板、配電憑證等。是成套設備,用于集中安裝開關、儀表等。
常用的配電箱是由木頭或鐵板制成的,而現在各處的耗電量都相當大,所以鐵的使用仍然較多。
至于它的用途:當然,停送電很方便,并起著測量和判斷是否停送電的作用。
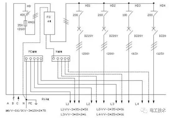
下面是對2+接線圖和2+系統圖的簡要介紹。
配電線路接線圖
安裝時,Home 配電箱接線圖也很重要。小編輯專門為每個人準備了幾個非常詳細的接線圖。

配電箱接線圖1

配電箱接線圖2
當我們看到一個以上的家庭平時用電,他們中的大多數是從a 配電柜發來的。一個簡單的接線圖是這樣的。

配電箱系統圖
家用配電線路的安裝方法
1.當明裝配電箱,配電箱安裝在墻上時,應使用開口螺栓(膨脹螺栓)固定。螺栓長度一般為預埋深度(75 ~ 150毫米)、箱底板厚度、螺母和墊圈厚度加上約5毫米的“頭部余量”之和。對于較小的配電箱,也可在安裝處預埋木塊(根據安裝孔在配電板四角的位置配電箱),然后用木螺釘配電箱或配電板固定在木塊上。
2、暗裝配電箱,配電箱預埋在墻內安裝,砌墻時預留孔洞的長度和寬度應比配電箱大20mm左右,預留深度為配電箱厚度加上孔洞墻面抹灰的厚度。當砌體配電箱時,可以通過在盒子和墻壁之間填充混凝土來固定盒子。
3、配電箱應安裝牢固,橫平豎直,垂直偏差不應大于3mm;暗裝時,配電箱四周不應有縫隙,面板四周邊緣應靠近墻面,箱體與建筑物、構筑物的接觸部位應涂防腐漆。
4、配電箱螺旋熔斷器安裝在內部,電源線應連接到中間觸點的端子上,負載線應連接到螺紋端子上。這樣,當熔化的堆芯被裝載和卸載時,不會發生電擊。瓷塞保險絲應垂直安裝。
5.配電箱交流、DC或不同電壓等級的電源應有明顯標志。照明配電箱,應分別設置零線(N線)和保護零線(PE線)母線。零線和保護零線應連接在母線上,不得拼接,并應編號。
6、引出面板時,面板線孔應光滑無毛刺,金屬面板應安裝絕緣保護罩。金屬外殼配電箱外殼必須可靠接地(零)。
配電箱二次接線
配電箱的二次連接應從接線盒中移除。首先,組件應該分成組。這主要滿足水平、水平和垂直的要求。從美國的角度來看,從端子臺開始,組件應該被分成線,而通道線應該被嵌入。劃分線路后,應根據接線圖完成接線。

配電箱示意圖
二次接線實際上是控制線,一次接線是主電路,二次接線用于控制主電路的工作狀態,如開、關、延時等。
次要成分主要包括:
一種微機保護裝置(用于保護主電路,具有速斷、過流、差動、低周減載、接地保護和根據負載類型的多種保護功能)。
控制裝置(因此得名和含義:用于操作斷路器閉合和斷開開關,并檢查機柜中主要部件的狀態)。
c點顯示(用于點指示)。
多功能電能表(見有功功率、無功功率、電壓、電流等。)。
繼電器和其他輔助部件。
摘要
家庭用電是我們必須仔細和嚴格檢查的一部分。如果電路安裝安全、完美,就可以在未來的生活中安全使用,消除家庭中的安全隱患。
版權屬于原作者。
以上內容為文字+圖片/視頻形式(字數不少于800字)。請注意,它必須是原始的開始
ψ
更多選型規格報價定制等問題可及時聯系廠家,以上就是最直截了當的配電箱接線圖解釋,零基礎還是學全部內容。
- 上一篇:圖紙中的公共配電箱(機柜)符號表示
- 下一篇:配電箱設計路由規范!
